剖析电路图 -凯发网址
凯发网址-凯发官网
用户登陆
免费注册
找回密码
站内短信
论坛搜索
用户名
密码
输入验证码:
真相
综合讨论
资料互助
程序样例
三菱工控
西门子区
欧姆龙区
触摸屏区
凯发网址-凯发官网
综合讨论
dyhzdg
级别: 略有小成
精华主题:
0
发帖数量:
109 个
工控威望:
327 点
下载积分:
4964 分
在线时间: 117(小时)
注册时间:
2009-09-13
最后登录:
2025-08-30
/
楼主
发表于: 42天前
|
请各位大佬帮忙解释一下电路图中各个元件的作用,欢迎,感谢!
附件:
(196 k) 下载次数:83
cvlsem
每天学一点!赚积多一点!
级别: 论坛先锋
精华主题:
0
发帖数量:
649 个
工控威望:
1530 点
下载积分:
1702 分
在线时间: 192(小时)
注册时间:
2016-05-14
最后登录:
2025-09-01
查看cvlsem的
主题
/
回贴
1楼
发表于: 42天前
|
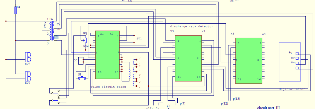
描述:上面是主回路逆变端
图片:
描述:下面为控制电路
图片:
上面是主回路逆变端
下面是控制回路 大楷是 220v变压器分别变 6v,12v,15v 分别给三个集成电路 要想知道集成块的引脚定义 就得去了解这个集成块的型号以及引脚定义!
楼主留言:
十分感谢!能解释的详细点吗?
[ 此帖被cvlsem在2025-07-23 12:45重新编辑 ]
不懈努力,一切皆有可能...冲吧 少年
空qq群:4057363
:有舍才有得 赠人玫瑰 手留余香!
honggun
级别: 网络英雄
精华主题:
0
发帖数量:
1700 个
工控威望:
7129 点
下载积分:
41682 分
在线时间: 954(小时)
注册时间:
2009-11-16
最后登录:
2025-09-02
查看honggun的
主题
/
回贴
2楼
发表于: 42天前
|
电磁加热,或者中频电源
stn13135
级别: 略有小成
精华主题:
0
发帖数量:
197 个
工控威望:
299 点
下载积分:
966 分
在线时间: 657(小时)
注册时间:
2016-12-01
最后登录:
2025-09-02
查看stn13135的
主题
/
回贴
3楼
发表于: 42天前
|
dyhzdg
级别: 略有小成
精华主题:
0
发帖数量:
109 个
工控威望:
327 点
下载积分:
4964 分
在线时间: 117(小时)
注册时间:
2009-09-13
最后登录:
2025-08-30
/
4楼
发表于: 34天前
|
感谢各位,能不能说详细点,各元件的作用
玫瑰烟斗
寻找有缘人
级别: 家园常客
精华主题:
0
发帖数量:
27 个
工控威望:
707 点
下载积分:
1570 分
在线时间: 28(小时)
注册时间:
2025-01-09
最后登录:
2025-09-01
/
5楼
发表于: 34天前
|
引用
引用第4楼dyhzdg于2025-07-31 12:32发表的 :
感谢各位,能不能说详细点,各元件的作用
你这个要把各个元件的作用讲明白,那恐怕要讲个几天几夜都讲不完。
建议你对照实物及电路图,去逐个查。
凯发网址-凯发官网
综合讨论
http://www.ymmfa.com
访问内容超出本站范围,不能确定是否安全
网站地图