smart200 modbusrtu 轮询插队写问题 -凯发网址

  • «
  • 1
  • 2
  • 3
  • »
  • pages: 1/3     go
一曲飘零
级别: 探索解密
精华主题: 0
发帖数量: 118 个
工控威望: 159 点
下载积分: 800 分
在线时间: 39(小时)
注册时间: 2021-09-04
最后登录: 2024-10-07
查看一曲飘零的 主题 /
楼主  发表于: 2024-06-28 15:42
|
图片:
图片:
图片:
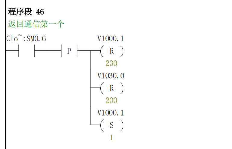
请教各位大佬;
我modbusrtu轮询读没问题,写老是报错误6。
程序如图,我目前没想到什么好的办法可以让满足条件时写入modbusrtu数据而不和读内容干扰。说白了就是怎么在读的时候插队写入数据。不知道大家是怎么实现的。
附件: (88 k) 下载次数:178
网站提示: 请不要用迅雷下载附件,容易出错
wlmissyou
级别: 探索解密
精华主题: 0
发帖数量: 58 个
工控威望: 160 点
下载积分: 1248 分
在线时间: 90(小时)
注册时间: 2017-06-11
最后登录: 2024-10-08
/
1楼  发表于: 2024-06-29 00:09
|
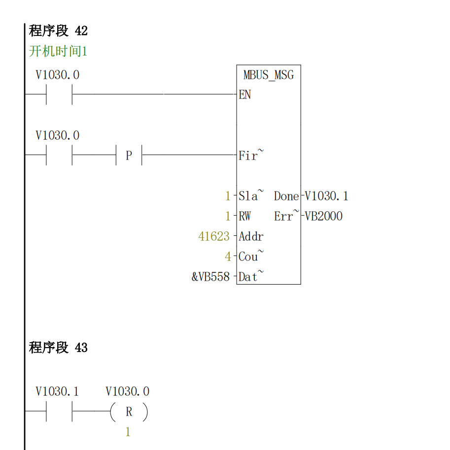
你可以试试我的这个程序
附件: (93 k) 下载次数:678
网站提示: 请不要用迅雷下载附件,容易出错
本帖最近评分记录:
  • 下载积分: 1(neafar22)
  • 下载积分: 1(woshimimitu)
  • asasas
    级别: 略有小成
    精华主题: 0
    发帖数量: 229 个
    工控威望: 251 点
    下载积分: 4353 分
    在线时间: 20(小时)
    注册时间: 2024-06-10
    最后登录: 2024-10-07
    /
    2楼  发表于: 2024-06-29 07:46
    |
           学习了
    往事如风
    科技改变制造
    级别: 网络英雄

    精华主题: 0
    发帖数量: 11287 个
    工控威望: 18443 点
    下载积分: 11847 分
    在线时间: 2681(小时)
    注册时间: 2013-01-31
    最后登录: 2024-10-05
    查看往事如风的 主题 / 回贴
    3楼  发表于: 2024-06-29 14:56
    |
    学习了
    三人行者必有我师 ,择其善者而从之
    fjqz00
    级别: 论坛先锋
    精华主题:
    发帖数量: 1301 个
    工控威望: 1457 点
    下载积分: 7990 分
    在线时间: 361(小时)
    注册时间: 2007-04-16
    最后登录: 2024-10-02
    /
    4楼  发表于: 2024-06-30 08:35
    |
    学习了
    一曲飘零
    级别: 探索解密
    精华主题: 0
    发帖数量: 118 个
    工控威望: 159 点
    下载积分: 800 分
    在线时间: 39(小时)
    注册时间: 2021-09-04
    最后登录: 2024-10-07
    查看一曲飘零的 主题 /
    5楼  发表于: 2024-07-02 09:14
    |
    引用
    引用第1楼wlmissyou于2024-06-29 00:09发表的  :
    你可以试试我的这个程序

    大神牛批,你这是自己写的modbus程序啊,没用库
    wlmissyou
    级别: 探索解密
    精华主题: 0
    发帖数量: 58 个
    工控威望: 160 点
    下载积分: 1248 分
    在线时间: 90(小时)
    注册时间: 2017-06-11
    最后登录: 2024-10-08
    /
    6楼  发表于: 2024-07-02 14:34
    |
    引用
    引用第5楼一曲飘零于2024-07-02 09:14发表的  :

    大神牛批,你这是自己写的modbus程序啊,没用库

    用了官方的库,是我二次创作的
    guocl7
    级别: 正式会员
    精华主题: 0
    发帖数量: 6 个
    工控威望: 56 点
    下载积分: 338 分
    在线时间: 4(小时)
    注册时间: 2021-11-03
    最后登录: 2024-09-09
    /
    7楼  发表于: 2024-07-05 20:18
    |
    抓紧学习,机不可失呵
    加勒比海带
    级别: 论坛先锋
    精华主题: 0
    发帖数量: 2272 个
    工控威望: 1837 点
    下载积分: 6902 分
    在线时间: 64(小时)
    注册时间: 2021-07-19
    最后登录: 2024-08-05
    查看加勒比海带的 主题 / 回贴
    8楼  发表于: 2024-07-07 18:21
    |
    抓紧学习,机不可失呵
    司慧聪
    级别: 略有小成
    精华主题: 0
    发帖数量: 284 个
    工控威望: 355 点
    下载积分: 4479 分
    在线时间: 92(小时)
    注册时间: 2019-06-04
    最后登录: 2024-10-08
    查看司慧聪的 主题 / 回贴
    9楼  发表于: 2024-07-08 01:00
    |
    厉害,学习了,通信一直很麻烦。
    安河桥
    级别: 略有小成
    精华主题: 0
    发帖数量: 183 个
    工控威望: 215 点
    下载积分: 1330 分
    在线时间: 79(小时)
    注册时间: 2021-07-05
    最后登录: 2024-09-30
    /
    10楼  发表于: 83天前
    |
    学习学习
    工控小白鼠.
    ip跨网段耦合器,远程io,plc串口转网口桥接器
    级别: 工控侠客
    精华主题: 0
    发帖数量: 468 个
    工控威望: 2049 点
    下载积分: 816 分
    在线时间: 452(小时)
    注册时间: 2022-09-01
    最后登录: 2024-10-08
    /
    11楼  发表于: 83天前
    |
    学习了
    ip跨网段耦合器,modbus转profinet网关,plc串口转网口桥接器,国产smart200系列plc,profinet,ethernet ip,cc-link ie,modbustcp远程io模块,需要联系高迈德科技-谢工18926207523
    淘宝小店 https://shop483911559.taobao.com/
      • «
      • 1
      • 2
      • 3
      • »
      • pages: 1/3     go

      网站地图