三菱plc遇见几个bug -凯发网址

  • «
  • 1
  • 2
  • »
  • pages: 1/2     go
xujiehao04
级别: 探索解密
精华主题: 0
发帖数量: 65 个
工控威望: 178 点
下载积分: 340 分
在线时间: 108(小时)
注册时间: 2015-11-01
最后登录: 2024-09-20
查看xujiehao04的 主题 /
楼主  发表于: 35天前
|
今天遇见一个bug    

就是一个ddrva k0 k50000 y1 y3 的指令

还有一个是回原点指令

回原点指令成功后 已经对d8350清零处理了  

这时我启动ddrva k0 k50000 y1 y3 后 照理说现在的位置应该是在回原点清零后的位置

可是始终要跟清零的位置相差3个毫米  后来我把ddrva k0 k50000 y1 y3 这个指令删掉 按照原来的模样又写了一遍灌进去 就奇迹般的好了

这个是不是一个bug
xujiehao04
级别: 探索解密
精华主题: 0
发帖数量: 65 个
工控威望: 178 点
下载积分: 340 分
在线时间: 108(小时)
注册时间: 2015-11-01
最后登录: 2024-09-20
查看xujiehao04的 主题 /
1楼  发表于: 35天前
|
还遇见过一个bug  使用标签写的程序

指令是ddrva k30000 k5000 y0 y2  启动后就是往负反向跑

然后我重新建立程序 没用标签 还是这个指令  他就能往正向跑了
xujiehao04
级别: 探索解密
精华主题: 0
发帖数量: 65 个
工控威望: 178 点
下载积分: 340 分
在线时间: 108(小时)
注册时间: 2015-11-01
最后登录: 2024-09-20
查看xujiehao04的 主题 /
2楼  发表于: 35天前
|
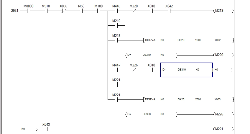
图片:
图片:
图片:
一个是断电回原点  一个是快速回原点  快速回原点就跟断电回原点要相差3个毫米
xujiehao04
级别: 探索解密
精华主题: 0
发帖数量: 65 个
工控威望: 178 点
下载积分: 340 分
在线时间: 108(小时)
注册时间: 2015-11-01
最后登录: 2024-09-20
查看xujiehao04的 主题 /
3楼  发表于: 35天前
|
而且是两台设备 程序一模一样  一台好的  一台不重新把程序删除再编写灌进去的话就是不行
ymmfa
不想大江大河,不想浪起潮落,只愿一湾小湖,静待岁月安好。
级别: 管理员

精华主题: 8 篇
发帖数量: 9627 个
工控威望: 8511 点
下载积分: 16619 分
在线时间: 5313(小时)
注册时间: 2006-08-10
最后登录: 2024-10-08
查看ymmfa的 主题 / 回贴
4楼  发表于: 35天前
|
理论上drva是很成熟的指令不应该有bug的。
要么是指令有异常,要么是硬件有故障。
特别提醒大家:
偶尔修改下自己的密码,以防被盗
不要在多个网站都用一样账号密码
偶尔还是要发发贴,回回贴,不要总潜水
hefq
级别: 家园常客
精华主题: 0
发帖数量: 614 个
工控威望: 808 点
下载积分: 1930 分
在线时间: 1521(小时)
注册时间: 2008-07-03
最后登录: 2024-10-07
/
5楼  发表于: 34天前
|
如果有这种bug,我应该早就会发现了
gzcjx555
qq  296686949
级别: 工控侠客
精华主题: 0
发帖数量: 463 个
工控威望: 3825 点
下载积分: 2332 分
在线时间: 316(小时)
注册时间: 2014-02-15
最后登录: 2024-10-08
查看gzcjx555的 主题 / 回贴
6楼  发表于: 34天前
|
硬件丢脉冲的可能性会更大一点
联系电话15071699246,qq296686949
xujiehao04
级别: 探索解密
精华主题: 0
发帖数量: 65 个
工控威望: 178 点
下载积分: 340 分
在线时间: 108(小时)
注册时间: 2015-11-01
最后登录: 2024-09-20
查看xujiehao04的 主题 /
7楼  发表于: 34天前
|
引用
引用第4楼ymmfa于2024-09-04 21:43发表的  :
理论上drva是很成熟的指令不应该有bug的。
要么是指令有异常,要么是硬件有故障。

我就是把有问题这段删掉 然后原模原样的再写一遍 灌进去就好了
xujiehao04
级别: 探索解密
精华主题: 0
发帖数量: 65 个
工控威望: 178 点
下载积分: 340 分
在线时间: 108(小时)
注册时间: 2015-11-01
最后登录: 2024-09-20
查看xujiehao04的 主题 /
8楼  发表于: 34天前
|
引用
引用第6楼gzcjx555于2024-09-05 08:15发表的  :
硬件丢脉冲的可能性会更大一点

硬件没有丢脉冲   盯着驱动器看的  而且同样的两台设备 一台是好的 一台就不行
小侯
小侯
级别: 工控侠客
精华主题: 0
发帖数量: 477 个
工控威望: 2607 点
下载积分: 7683 分
在线时间: 499(小时)
注册时间: 2008-10-17
最后登录: 2024-10-05
/
9楼  发表于: 34天前
|
ddrva k0 k50000 y1 y3
這指令走絕對位置,亦即從現在位置走道絕對位置0,若原點位置若有問題或是脈波遺失就會造成位置不準確。

照你後面所說快速回原點及一般回原點會相差3mm,這樣你要看快速回跟一般回有何差異,一般來說原點復歸還有所謂的蠕行速度之類的設定就是怕原點信號每次不准,當你速度高時,從高速到靜止的減速所用的時間會比低速到靜止還要長,所以一般來說,原點復歸會以慢速來進行,以原點信號目標,碰到原點(dog)後以蠕行速度脫離或是伺服z點等,或是碰到原點信號再行進一固定距離,使其每次都是在同一位置,若是有做快速回原點需求,則用絕對位置0來進行,此時原點位置,則以位置值0為目標,而非原點信號為目標。

ddrva k30000 k5000 y0 y2
y0為脈衝信號輸出,y2為運轉方向控制
你有確認指令執行時當前位置嗎,若你位置值低於k30000則正轉至k30000,若是高於k30000則逆轉

然後你的程式沒有註解,這要怎樣判讀你的指令與接點用途
爱在日落之后
所有的伟大,源于一个勇敢的开始
级别: 家园常客
精华主题: 0
发帖数量: 661 个
工控威望: 698 点
下载积分: 3428 分
在线时间: 138(小时)
注册时间: 2022-07-25
最后登录: 2024-10-08
/
10楼  发表于: 34天前
|
我遇到过这个情况,而且位置偏差更加严重。但是结论不一定具有通用性,首先这个指令没有bug,你哪里还是有问题。遇事请先怀疑自己。其次,我遇到的情况查到最后,发现是模组的问题,用的不是丝杆,而是皮带线,皮带线里面有个顶丝未拧紧,后来把皮带线拧紧好多了,还是还是误差太大,有两三mm。最后只能加相机,先拍照定位,然后整个模组过去。
你的描述情况和我当时遇到的情况有相似之处,建议你检查联轴器,丝杆之类的。因为他们的松动就会导致这个情况,而且伺服模组来回往返运动,有的时候误差只在某一个方向运动时出现。
zq123666
级别: 工控侠客
精华主题: 0
发帖数量: 460 个
工控威望: 2123 点
下载积分: 20756 分
在线时间: 1020(小时)
注册时间: 2021-03-24
最后登录: 2024-10-08
查看zq123666的 主题 / 回贴
11楼  发表于: 34天前
|
你用drva指令回原点,通过光电感应做定位与原点清零条件。
那么轴距离原点感应距离远近,回零运动到感应器时速度是否能保证一致呢?有没有考虑加减速时间呢?
可以在程序中加一段,当轴运动到遮挡挡片时,以一个低速蠕动的方式向前或向后走出感应器位置,捕捉感应器下降沿来作为原点?
    • «
    • 1
    • 2
    • »
    • pages: 1/2     go

    网站地图